Introduction to Arduino Membrane Keypads

Wiring-4x3-Membrane-Keypad-with-Arduino

Membrane keypads provide an affordable and effective solution for adding user input capabilities to your Arduino projects. These thin, flexible input devices allow you to create interactive interfaces for countless microcontroller applications, from security systems to data entry terminals and custom controllers.

What You'll Learn: This comprehensive guide covers everything from basic keypad wiring and library installation to advanced projects like password systems, LCD integration, and I2C port expanders for saving digital pins.

Understanding Membrane Keypads

Membrane keypads are matrix-based input devices consisting of multiple layers with printed circuits. When you press a button, the top conductive layer makes contact with the bottom layer, completing a circuit at a specific row-column intersection.

Affordable

Typically cost less than $2, making them accessible for all budget levels and perfect for prototyping.

Matrix Design

Uses row/column matrix to minimize pin usage - N×M keypad needs only N+M pins instead of N×M.

Variety Available

Available in multiple sizes (3×4, 4×4) with numeric, alphanumeric, or custom button labels.

Universal Compatibility

Works with any microcontroller, not just Arduino - perfect for ESP32, Raspberry Pi, and other platforms.

How Membrane Keypads Work

4x4-matrix-keypad

The matrix design is the key to understanding how membrane keypads operate efficiently with minimal pin usage:

Keypad Size Buttons Rows Columns Pins Required
3×4 12 buttons 4 rows 3 columns 7 pins (4+3)
4×4 16 buttons 4 rows 4 columns 8 pins (4+4)

Matrix Addressing: Each button is assigned to a specific row and column intersection. For example, in a 3×4 keypad:

Required Components

Arduino Board

Arduino Uno, Nano, Mega, or any compatible microcontroller board

Membrane Keypad

3×4 or 4×4 membrane keypad (available online for under $2)

Jumper Wires

Male-to-male jumper wires for connecting keypad to Arduino

USB Cable

For programming Arduino and powering during development

Tip: You can salvage membrane keypads from old telephones or purchase them from electronics retailers like Adafruit, SparkFun, or Amazon for very affordable prices.

Step-by-Step Wiring Guide

1 Standard 3×4 Keypad Wiring

arduino-uno-r4-keypad-3x4-wiring-diagram

For a typical 3×4 membrane keypad, connect the pins as follows:

Keypad Pin Arduino Pin Function
Row 1 Digital Pin 8 First row connection
Row 2 Digital Pin 7 Second row connection
Row 3 Digital Pin 6 Third row connection
Row 4 Digital Pin 5 Fourth row connection
Column 1 Digital Pin 4 First column connection
Column 2 Digital Pin 3 Second column connection
Column 3 Digital Pin 2 Third column connection
Important: If your keypad has a different pin arrangement, consult its datasheet or use a multimeter in continuity mode to identify row and column pins. Many keypads have pin labels printed on the back.

Installing the Keypad Library

2 Library Installation Process

The Arduino Keypad Library simplifies programming by handling the complex matrix scanning for you. Follow these steps:

  1. Download the Library: Get the Keypad library from the official Arduino library manager or GitHub repository
  2. Install via Arduino IDE:
    • Open Arduino IDE
    • Go to Sketch → Include Library → Manage Libraries
    • Search for "Keypad" and install the library by Mark Stanley and Alexander Brevig
  3. Manual Installation Alternative:
    • Download the ZIP file from GitHub
    • In Arduino IDE: Sketch → Include Library → Add .ZIP Library
    • Select the downloaded file
  4. Restart Arduino IDE to ensure the library loads properly
arduino-uno-r4-keypad-3x4-wiring-diagram

Basic Keypad Code Example

3 Complete Working Code

Here's the complete code to get your keypad working with Arduino and displaying pressed keys in the Serial Monitor:

#include 

// Define keypad size
const byte ROWS = 4; // Four rows
const byte COLS = 3; // Three columns

// Define keypad character matrix
char keys[ROWS][COLS] = {
  {'1', '2', '3'},
  {'4', '5', '6'},
  {'7', '8', '9'},
  {'#', '0', '*'}
};

// Connect keypad row pins to these Arduino pins
byte rowPins[ROWS] = {8, 7, 6, 5};

// Connect keypad column pins to these Arduino pins  
byte colPins[COLS] = {4, 3, 2};

// Create Keypad object
Keypad keypad = Keypad(makeKeymap(keys), rowPins, colPins, ROWS, COLS);

void setup() {
  Serial.begin(9600); // Initialize serial communication
  Serial.println("Keypad initialized. Press keys to see output.");
}

void loop() {
  char key = keypad.getKey(); // Check for key press
  
  if (key != NO_KEY) { // If a key was pressed
    Serial.print("Key pressed: ");
    Serial.println(key);
  }
}
Testing: After uploading this code, open the Serial Monitor (Tools → Serial Monitor, or Ctrl+Shift+M), set baud rate to 9600, and press keys on your keypad. You should see the corresponding characters appear.

Code Explanation

Library Inclusion

#include <Keypad.h> gives access to Keypad library functions that handle matrix scanning and debouncing.

Layout Definition

ROWS and COLS constants define your keypad's physical dimensions (4 rows, 3 columns).

Key Mapping

The keys array defines what character each physical button represents in the matrix.

Pin Configuration

rowPins and colPins arrays specify which Arduino pins connect to which keypad rows and columns.

Adapting Code for Different Keypads

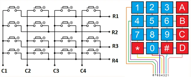
4 Customizing for 4×4 Keypads

If you have a 4×4 keypad instead of 3×4, modify the code as follows:

#include 

// Change columns from 3 to 4
const byte ROWS = 4; // Four rows
const byte COLS = 4; // Four columns (changed from 3)

// Update key matrix for 16 buttons
char keys[ROWS][COLS] = {
  {'1', '2', '3', 'A'},
  {'4', '5', '6', 'B'},
  {'7', '8', '9', 'C'},
  {'*', '0', '#', 'D'}
};

// Adjust pin arrays - add fourth column pin
byte rowPins[ROWS] = {9, 8, 7, 6}; // Example pins
byte colPins[COLS] = {5, 4, 3, 2}; // Added fourth column pin

Keypad keypad = Keypad(makeKeymap(keys), rowPins, colPins, ROWS, COLS);

void setup() {
  Serial.begin(9600);
}

void loop() {
  char key = keypad.getKey();
  if (key != NO_KEY) {
    Serial.println(key);
  }
}

Password Verification System

5 Advanced Project: Secure Access

Circuit-of-Password-Based-Door-Lock-Security-System-using-Arduino

Create a password-protected system that grants access only when the correct code is entered:

#include 

const byte ROWS = 4;
const byte COLS = 3;

char keys[ROWS][COLS] = {
  {'1', '2', '3'},
  {'4', '5', '6'},
  {'7', '8', '9'},
  {'#', '0', '*'}
};

byte rowPins[ROWS] = {8, 7, 6, 5};
byte colPins[COLS] = {4, 3, 2};

Keypad keypad = Keypad(makeKeymap(keys), rowPins, colPins, ROWS, COLS);

const String password = "1234"; // Set your password here
String inputPassword;

void setup() {
  Serial.begin(9600);
  inputPassword.reserve(32); // Reserve memory for input
  Serial.println("Enter password (4 digits) followed by #");
}

void loop() {
  char key = keypad.getKey();
  
  if (key) {
    if (key == '#') {
      // Check password when # is pressed
      if (inputPassword == password) {
        Serial.println("Access granted!");
        // Add your access granted code here (LED, servo, etc.)
      } else {
        Serial.println("Access denied!");
      }
      inputPassword = ""; // Clear input
    } else if (key == '*') {
      // Clear input with *
      inputPassword = "";
      Serial.println("Input cleared.");
    } else {
      // Append digit to input
      inputPassword += key;
      Serial.print("*"); // Show asterisk for each digit
    }
  }
}

Keypad with LCD Display

6 Complete User Interface

Circuit-of-Password-Based-Door-Lock-Security-System-using-Arduino

Combine your keypad with an LCD for a complete user interface system:

#include 
#include 

// Keypad setup
const byte ROWS = 4;
const byte COLS = 3;
char keys[ROWS][COLS] = {
  {'1', '2', '3'},
  {'4', '5', '6'},
  {'7', '8', '9'},
  {'#', '0', '*'}
};
byte rowPins[ROWS] = {8, 7, 6, 5};
byte colPins[COLS] = {4, 3, 2};
Keypad keypad = Keypad(makeKeymap(keys), rowPins, colPins, ROWS, COLS);

// LCD setup (adjust pins to match your connections)
LiquidCrystal lcd(12, 11, 10, 9, 8, 7);

String inputString = "";

void setup() {
  lcd.begin(16, 2); // 16 columns, 2 rows
  lcd.print("Enter value:");
}

void loop() {
  char key = keypad.getKey();
  
  if (key) {
    lcd.setCursor(0, 1); // Move to second row
    
    if (key >= '0' && key <= '9') {
      // Handle numeric input
      inputString += key;
      lcd.print(key);
    } else if (key == '#') {
      // Process entered value
      if (inputString.length() > 0) {
        lcd.clear();
        lcd.print("Entered: ");
        lcd.print(inputString);
        delay(2000);
        lcd.clear();
        lcd.print("Enter value:");
        inputString = "";
      }
    } else if (key == '*') {
      // Clear input
      inputString = "";
      lcd.clear();
      lcd.print("Enter value:");
    }
  }
}

Using I2C Port Expanders

7 Saving Digital Pins

Since membrane keypads consume 7-8 I/O pins, you might run out of pins in complex projects. The solution is using an I2C port expander like the PCF8574:

Reduced Pin Usage

Control 8+ devices with just 2 Arduino pins (SDA and SCL) instead of individual connections.

Daisy-Chaining

Connect multiple I2C devices on the same bus - keypad, LCD, sensors all on two wires.

Finding Modules

Search for "I2C 8574 I/O expander" online to find affordable modules (under $5).

Library Support

Use modified Keypad libraries that support I2C communication with port expanders.

Pro Tip: When using I2C, you can connect multiple devices like LCD displays, keypads, and sensors to the same two-wire bus, dramatically reducing wiring complexity and pin usage.

Troubleshooting Common Issues

Keys Not Registering

Solution: Check all wiring connections, verify pin assignments match your wiring, use a multimeter to test keypad button continuity.

Multiple Keys Registering

Solution: Add pull-up resistors (10kΩ) on column pins, ensure you're using the latest Keypad library, add small delay in loop.

Unresponsive in Complex Projects

Solution: Implement interrupt service routines for key detection, increase scanning priority, simplify main loop.

Need More Digital Pins

Solution: Use I2C port expander as described above, or consider multiplexing techniques for large projects.

Creative Project Ideas

Arduino-Calculator-using-4x4-Keypad

Digital Combination Lock

Create a secure lock system that activates a solenoid or servo when correct code is entered. Add LED indicators for feedback.

Arduino Calculator

Build a simple arithmetic calculator that displays results on LCD screen. Start with basic operations and expand functionality.

Menu Navigation System

Use keypad to navigate through complex menus on LCD display. Implement scrolling, selection, and return functionality.

Home Automation Interface

Control lights, appliances, or other devices by entering codes on keypad. Add relay modules for higher-voltage control.

Optimization Techniques

8 Advanced Programming Tips

For more advanced projects, implement these optimization techniques:

Debouncing Enhancement

char key = keypad.getKey();
if (key != NO_KEY) {
  delay(50); // Additional debounce delay
  char key2 = keypad.getKey();
  if (key == key2) {
    // Key press confirmed
    Serial.println(key);
  }
}

Non-blocking Code Implementation

unsigned long lastKeyTime = 0;
const unsigned long keyTimeout = 1000; // 1 second

void loop() {
  char key = keypad.getKey();
  
  if (key != NO_KEY) {
    lastKeyTime = millis();
    // Process key press
  }
  
  // Other non-blocking code here
  if (millis() - lastKeyTime > keyTimeout) {
    // Timeout action after no key press
  }
}

Conclusion and Next Steps

wokwi_project_examples_1

Membrane keypads offer an incredibly affordable and versatile way to add user input to your Arduino projects. With the knowledge from this tutorial, you can now:

Next Learning Steps: After mastering membrane keypads, consider exploring touchscreen interfaces, wireless keypads using Bluetooth or RF modules, or integrating keypads with home automation systems like Home Assistant.

The versatility of membrane keypads makes them suitable for countless applications, from simple input devices to complex control systems. Remember to share your creations with the Arduino community, and don't hesitate to consult datasheets and online forums if you encounter keypads with non-standard pinouts.